企业短路电流超(chāo)标治理应用(yòng)场(chǎng)景
通过将快速开关与匹(pǐ)配阻抗并联,在识别故障后快速将阻抗(kàng)投入(rù)电路,最(zuì)大程度上(shàng)限制短路电(diàn)流,保障下端断路器分断(duàn)、减少对设备的冲击、消除短路电流带来的电(diàn)动力。
并(bìng)联运行的系统场景
两台或多台主(zhǔ)变并联运行的系统,ZLB可安装在母联位置(zhì),降低另(lìng)一边系统提供的短路电流,为并网运行提供安(ān)全保障。
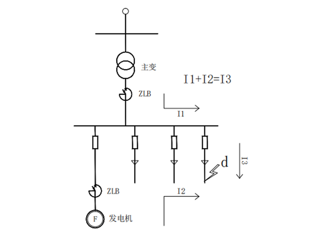
电源侧限(xiàn)流场景
对于短路(lù)电流超标的场合,ZLB零损耗深度限流装置应用于系统电源(yuán)侧,如(rú)主变(biàn)低(dī)压(yā)侧或(huò)发电机出口,系统支(zhī)路发生短路,ZLB通过加大(dà)电源侧的阻抗,降低电源侧对短路点(diǎn)提供的电流(liú),达到(dào)限制系(xì)统总的短路电流的目的。
